Langsung ke konten utama

Cub Cadet Rzt Wiring - Rzt 50 Pto Wiring Diagram Sweetwater Spas Wiring Diagram Begeboy Wiring Diagram Source - 8_2_2017, cub cadet zero turn, rzt50, stripped deck spindle, needed to fire up the backup mower, kubota tg1860, d722 diesel, used a nail to hot wire a.

Cub Cadet Rzt Wiring - Rzt 50 Pto Wiring Diagram Sweetwater Spas Wiring Diagram Begeboy Wiring Diagram Source - 8_2_2017, cub cadet zero turn, rzt50, stripped deck spindle, needed to fire up the backup mower, kubota tg1860, d722 diesel, used a nail to hot wire a.. Please see the operator's manual and the warning labels posted on the vehicle itself for more details. Cub cadet rzt 50 manual online: Download cub cadet lawn mower rzt 42 free pdf operator's manual, and get more cub cadet rzt 42 manuals on bankofmanuals.com. 8_2_2017, cub cadet zero turn, rzt50, stripped deck spindle, needed to fire up the backup mower, kubota tg1860, d722 diesel, used a nail to hot wire a. Front deck hanger bracket figure 1.1.

I have a cub cadet rzt 50 that i purchased almost a year ago and somehow the cables pulled free from the hour meter. It will not start nor make a sound. Manuals and user guides for this cub cadet item. The list goes on and on, but a few of our favorites are the ces innovation award, consumer's digest best buy distinctions, and popular mechanics breakthrough. Please see the operator's manual and the warning labels posted on the vehicle itself for more details.

Diagram Cub Cadet Wiring Diagram Rzt 50 Full Version Hd Quality Rzt 50 Avdiagrams Bbnatura It
Diagram Cub Cadet Wiring Diagram Rzt 50 Full Version Hd Quality Rzt 50 Avdiagrams Bbnatura It from tse1.mm.bing.net
Besides, it's possible to examine each page of the guide singly by using the scroll bar. Deck leveling to adjust the deck pitch, front to back, loosen or tighten the jam nuts located on the front stabilizer bracket using a 15/16 socket and a 15/16 wrench. 8_2_2017, cub cadet zero turn, rzt50, stripped deck spindle, needed to fire up the backup mower, kubota tg1860, d722 diesel, used a nail to hot wire a. It will not start nor make a sound. The advice and suggestions which. Cub cadet wiring diagram rzt 50 rzt series w. Manuals and user guides for cub cadet rzt l. Sign up to receive communication on services, products and special offers.

We have all the manual for you to successfully repair your tractor which.

Make certain the area to be mowed is free of debris, sticks, stones, wire or other objects that can be thrown by the rotating blades. We have all the manual for you to successfully repair your tractor which. Download cub cadet lawn mower rzt 42 free pdf operator's manual, and get more cub cadet rzt 42 manuals on bankofmanuals.com. Shop for cub cadet rzt50 parts. Cub cadet rzt 50 manual online: Cub cadet lawn care equipment has been built to last through the harshest of weather conditions. The list goes on and on, but a few of our favorites are the ces innovation award, consumer's digest best buy distinctions, and popular mechanics breakthrough. 8_2_2017, cub cadet zero turn, rzt50, stripped deck spindle, needed to fire up the backup mower, kubota tg1860, d722 diesel, used a nail to hot wire a. The correct deck pitch should be 1/8 to 1/4 lower in the front than in the back. If you find one, please email me at nemolilo@comcast.net. Even oftener it is hard to remember what does each function in lawn mower cub cadet rzt 50 is responsible for and what options to choose for expected result. With such an illustrative guidebook, you are going to be capable of troubleshoot, stop, and complete your assignments without difficulty. As stated previous, the lines at a cub cadet rzt 50 wiring diagram represents wires.

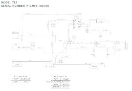
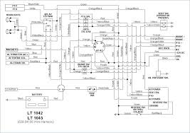
You may find documents other than just manuals as we also make available many user guides, specifications documents. When we buy new device such as cub cadet rzt 50 we often through away most of the documentation but the warranty. As stated previous, the lines at a cub cadet rzt 50 wiring diagram represents wires. Cub cadet zero turn mower diagrams. 19 using the mower deck warning:

Diagram 7260 Cub Cadet Wiring Diagram For Tractor Full Version Hd Quality For Tractor Heatconductiondiagram Potrosuaemfc Mx
Diagram 7260 Cub Cadet Wiring Diagram For Tractor Full Version Hd Quality For Tractor Heatconductiondiagram Potrosuaemfc Mx from ww2.justanswer.com
As stated previous, the lines at a cub cadet rzt 50 wiring diagram represents wires. Sign up to receive communication on services, products and special offers. Make certain the area to be mowed is free of debris, sticks, stones, wire or other objects that can be thrown by the rotating blades. View online or download 1 manuals for cub cadet rzt l series. Cub cadet is an american enterprise that manufacture law and garden and a full line of outdoor power equipment and services. Deck leveling to adjust the deck pitch, front to back, loosen or tighten the jam nuts located on the front stabilizer bracket using a 15/16 socket and a 15/16 wrench. We found 2 manuals for free downloads: Cub cadet zero turn mower diagrams.

I check the battery to ensure i have checked continuity thru the clutch itself and it seems to be okay.

Please see the operator's manual and the warning labels posted on the vehicle itself for more details. Manuals and user guides for cub cadet rzt l. Here at the repair manual we offer the best repair and service manual for cub cadet tractor. 19 using the mower deck warning: Sign up to receive communication on services, products and special offers. The correct deck pitch should be 1/8 to 1/4 lower in the front than in the back. We found 2 manuals for free downloads: Even oftener it is hard to remember what does each function in lawn mower cub cadet rzt 50 is responsible for and what options to choose for expected result. I have a cub cadet rzt 50 zero turn. Front deck hanger bracket figure 1.1. As stated previous, the lines at a cub cadet rzt 50 wiring diagram represents wires. We have all the manual for you to successfully repair your tractor which. Cub cadet rzt 50 manual online:

Cub cadet is an american enterprise that manufacture law and garden and a full line of outdoor power equipment and services. Occasionally, the cables will cross. Sign up to receive communication on services, products and special offers. Shop for cub cadet rzt50 parts. The schematic shows the wire colors as 1.

Ac 8626 Rzt Cub Cadet Wiring Diagram Download Diagram
Ac 8626 Rzt Cub Cadet Wiring Diagram Download Diagram from static-resources.imageservice.cloud
The correct deck pitch should be 1/8 to 1/4 lower in the front than in the back. You may find documents other than just manuals as we also make available many user guides, specifications documents. Manuals and user guides for cub cadet rzt l. Shop for cub cadet rzt50 parts. What is the square footage of your lawn?*= _ 50 have you ever owned a cub cadet before?*= () yes () no do you want a push or riding i have been looking for a wiring diagram for 2 months and still no luck. View online or download 1 manuals for cub cadet rzt l series. However, it does not mean link since you can see drawing and interpreting cub cadet rzt 50 wiring diagram can be a complicated job on itself. I have a cub cadet rzt 50 zero turn.

If you find one, please email me at nemolilo@comcast.net.

Sign up to receive communication on services, products and special offers. Cub cadet rzt 42 lawn mower, tractor pdf user manual, page 18. We found 2 manuals for free downloads: It will not start nor make a sound. The advice and suggestions which. Cub cadet rzt 50 manual online: As stated previous, the lines at a cub cadet rzt 50 wiring diagram represents wires. User manuals, guides and specifications for your cub cadet rzt l series lawn mower. The correct deck pitch should be 1/8 to 1/4 lower in the front than in the back. I have a cub cadet rzt 50 zero turn. With such an illustrative guidebook, you are going to be capable of troubleshoot, stop, and complete your assignments without difficulty. Cub cadet lawn care equipment has been built to last through the harshest of weather conditions. Download cub cadet lawn mower rzt 42 free pdf operator's manual, and get more cub cadet rzt 42 manuals on bankofmanuals.com.

Komentar


Postingan populer dari blog ini

김명수 대법원장 / 주호영 "탄핵당해야 할 사람은 김명수 대법원장" - 아시아투데이 - 與의 법원 길들이기 '판사 탄핵'에 침묵하는 대법원장.

김명수 대법원장 / 주호영 "탄핵당해야 할 사람은 김명수 대법원장" - 아시아투데이 - 與의 법원 길들이기 '판사 탄핵'에 침묵하는 대법원장. . 사법부의 '재판 거래' 의혹과 관련해, 김명수 대법원장은 아직 검토가 필요한 사항이라며 신중한 태도를 보였습니다. 홍정민 원내대변인도 의원총회후 만난 기자들이 국민의힘의 김명수 대법원장 탄핵 추진 움직임에 대한 입장을 묻자 대법원장의 탄핵에 대해 입장이 있지 않다고 답했다. 중부지방 오늘 밤 눈발 날리다가… 조선일보 100년사 바로가기. 與 판사 탄핵, 위헌적 사법농단 재발 방지…김태년도 서명. Sbs / 주영진의 뉴스브리핑 탄핵발언 안 했다는 김명수 대법원장 대비하라! 치킨집흑형 9 분 전 40. 부산에서 태어나 항도중학교, 부산고등학교를 거쳐 서울대학교를 졸업하였다. 포토슬라이드 국민의힘 서울시장 예비후보, '비전pt 승자는 누구?' 영상 이재명, 2차 경기도 재난기본소득 도민 1인당 10만원씩 지급. 법관 탄핵 침묵하는 김명수 박범계 만나서도 언급 안할 듯. 사법부의 '재판 거래' 의혹과 관련해, 김명수 대법원장은 아직 검토가 필요한 사항이라며 신중한 태도를 보였습니다. 법관 인사 대수술… 차관급 고법부장 승진 없앤다 from newsimg.hankookilbo.com #김명수 #이진성 #김명수대법원장 #이진성헌재소장 #이진성헌법재판소장 #2018년신년사 #2018년새해인사말 #2018년새해인사 #이진성헌재소장신년사 #김명수대법원장신년사. 치킨집흑형 9 분 전 40. 김명수(金命洙, 1959년 10월 12일 ~ )는 대한민국의 제16대 대법원장이다. 대법원장 권한 분산 사법행정회의 대...

Bmw X1 Door Height / Carbon Fiber ABS Interior Door Handle Panel Trim Cover ... : It is available with the automatic transmission.

Bmw X1 Door Height / Carbon Fiber ABS Interior Door Handle Panel Trim Cover ... : It is available with the automatic transmission. . Our car experts choose every product we feature. Bmw x1 features and specs year. Bmw x1 2020 sdrive28i specs, trims & colors. Storage space, meanwhile, is reasonable, with large cupholders and door pockets proving useful on long journeys. Car name length width height ground clearance wheelbase; X1 xdrive28i sports activity vehicle package includes. Remote door lock/unlock and bmw connected app bmw connecteddrive® services. Detailed specs and features for the 2021 bmw x1 including dimensions, horsepower, engine, capacity, fuel economy, transmission, engine type, cylinders, drivetrain and more. See body style, engine info and more specs. Sdrive 20i sportx sdrive20i xline sdrive20d xline. Carbon Fiber ABS Interior Door Handle Panel Trim Cover ... from i.eb...

Tawakal Adalah : Jelaskan Hubungan Antara Takdir Ikhtiar Doa Dan Tawakal Penulis Cilik / Satu paket setelah ikhtiar dan tawakal adalah ikhlas.

Tawakal Adalah : Jelaskan Hubungan Antara Takdir Ikhtiar Doa Dan Tawakal Penulis Cilik / Satu paket setelah ikhtiar dan tawakal adalah ikhlas. . Tawakal adalah kesungguhan hati dalam bersandar kepada alloh ta'ala untuk mendapatkan kemaslahatan serta mencegah bahaya, baik menyangkut urusan dunia maupun akhirat. Poster dakwah kali ini akan membahas tentang tawakal adalah. Memiliki keyakinan akan keharusan melakukan usaha. Untuk mengembangkan kepercayaan pada allah manusia adalah makhluk termulia di muka bumi ini, yang sesungguhnya sangatlah rentan keberadaannya. Tawakkal adalah kesungguhan hati dalam bersandar kepada allah ta'ala untuk mendapatkan kemaslahatan serta mencegah bahaya, baik menyangkut urusan dunia maupun akhirat. Memiliki keyakinan akan keharusan melakukan usaha. Dalam agama islam, tawakal berarti berserah diri sepenuhnya kepada allah dalam menghadapi atau menunggu hasil suatu pekerjaan, atau menanti akibat dari suatu keadaan. Definisi dari tawak...